Willkommen bei der Kontaktaufnahme
Im Kontext der rasanten Entwicklung der neuen Energiewirtschaft sind Szenarien wie kommerzielle und industrielle Energiespeicherung , Batteriewechselstationen , und Photovoltaik-Speichersysteme für Privathaushalte haben höhere Anforderungen an die gestellt Genauigkeit, Kompatibilität und Intelligenz von Strommessung . Acrel Electric hat eine umfassende Palette neuer energieunterstützender Instrumentierungslösungen entwickelt. Diese Lösungen sind speziell auf die Kernanforderungen verschiedener Anwendungsszenarien zugeschnitten und decken den Messbedarf von Haushaltsanwendungen mit geringem Stromverbrauch bis hin zu großen industriellen und kommerziellen Energiespeichersystemen ab. Die Lösungen unterstützen zuverlässig den stabilen Betrieb und die präzise Dosierung neuer Energiesysteme.
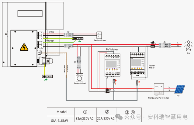
Photovoltaik und Energiespeicherung für Privathaushalte stellen ein wichtiges Anwendungsszenario für die Popularisierung neuer Energien dar. Acrel hat hochkompatible Instrumentenprodukte entwickelt, die auf verschiedene Unterszenarien abzielen, darunter Anpassung von Energiespeicher-Wechselrichtern, Hybrid-Wechselrichter-Integration, Balkon-Photovoltaik-Speichersysteme und transparente Punkt-zu-Punkt-Übertragungssysteme für Mikroenergiespeicher . Diese Produkte vereinen Integration, Messgeschwindigkeit und Kommunikationsflexibilität.
Als Reaktion auf die Marktmerkmale der Mehrmarkenkompatibilität in Photovoltaik- und Energiespeichersystemen wird die RS485-CT-Konfiguration übernommen, um unsicheren Installationsbedingungen für professionelle Vertreter Rechnung zu tragen. Die Instrumente sind mit den internationalen Zertifizierungen CE-MID, UL und RCM zertifiziert. Mit einer Hochgeschwindigkeits-Datenaktualisierungsrate von 50 ms unterstützen die Geräte auch die Anpassung der Phasenfolge und gewährleisten so eine genaue Messung und starke Kompatibilität.
Für hohe Integrationsanforderungen von All-in-One-Energiespeicher-Wechselrichterdesigns und Anforderungen an die Zweikanalmessung in Nachrüstszenarien sind die Instrumente mit Spannungs- und Stromschnellsteckklemmen und RJ45-Kommunikationsanschlüssen ausgestattet. Sie unterstützen außerdem Datenaktualisierungsraten von 50 ms und die Anpassung der Phasenfolge sowie ein umfassendes Zertifizierungssystem, sodass sie sowohl für Nachrüstungs- als auch für Neuinstallationsszenarien geeignet sind.
Diese Lösung wurde speziell für verteilte Photovoltaik- und Energiespeichersysteme mit geringem Stromverbrauch auf Balkonen entwickelt und vereint hohe Integration mit bequemer Installation und Inbetriebnahme. Zusätzlich zu Zweikanalige Messung und Schnellsteckklemmen , es unterstützt auch WiFi-, WiFi HaLow- und Bluetooth-Debugging-Funktionen . Das kabellose Design vereinfacht die Installation in kleinen Szenarien erheblich und das Produkt verfügt über die CE-RED-Zertifizierung.
Um das anzusprechen schlechte Durchdringung und instabile Netzwerkleistung von traditional WiFi in micro-energy storage scenarios, WiFi HaLow (Sub-1GHz) Kommunikationstechnologie wird übernommen. Im Vergleich zu herkömmlichem WLAN bietet es eine stärkere Durchdringungsfähigkeit und eine längere Übertragungsentfernung. Im Vergleich zur LoRa-Kommunikation bietet es eine höhere Übertragungsgeschwindigkeit und eine bessere Stabilität. Das Gerät unterstützt diese Technologie nativ und erfordert lediglich einen zusätzlichen AP auf der Wechselrichterseite, um die drahtlose Kommunikation zu ermöglichen. Es unterstützt auch schnelle Eins-zu-eins- und Eins-zu-viele-Netzwerkkonfigurationen und eignet sich daher für Haushalts-Multi-Wechselrichter- und Balkon-Mikrospeichersysteme.
Industrielle und kommerzielle Energiespeicher, große Energiespeicher und Batteriewechselstationen erfordern strenge Standards in Bezug auf Messgenauigkeit, Aktualisierungsgeschwindigkeit, Installationsflexibilität und Einhaltung gesetzlicher Vorschriften. Acrel bietet eingebettete und auf DIN-Schienen montierte Instrumentenprodukte basierend auf wichtigen Anforderungen wie z Mehrtarifabrechnung, Bedarfsmessung, Schutz vor Stromrückfluss und drahtlose Kommunikation und unterstützt sowohl Neuinstallationen als auch Nachrüstungsanwendungen.
Der APM521 verfügt über die CSA-Zertifizierung (UL) für Übersee und bietet eine Wirkenergiemessgenauigkeit von bis zu 0,2 s (Klasse D). Es ist mit einem SD-Kartenspeicher für elektrische Parameter in Echtzeit ausgestattet. Das modulare Design des Erweiterungsmoduls der Haupteinheit unterstützt sowohl die eingebettete als auch die DIN-Schienenmontage und erfüllt so vielfältige Installationsanforderungen bei neuen Projekten.
Dies ist ein Messgerät der 0,5-S-Klasse mit externem Stromwandler, das häufig in Großkundenanwendungen eingesetzt wird. Es unterstützt die sekundäre Stromwandler-Nachrüstungsverkabelung und kann den sekundärseitigen Strom vorhandener Stromwandler direkt klemmen, wodurch es sich hervorragend für Zähler-Nachrüstungsprojekte eignet. Das Produkt verfügt über CPA-, CE- und UL-Zertifizierungen und kann auch in eine Hochgeschwindigkeits-Refresh-Version angepasst werden, um den Anforderungen leistungsstarker Anwendungen gerecht zu werden.
Darüber hinaus integrieren die Industrie- und Gewerbelösungen auch Überlastschutzfunktionen. Das System kann an hoch- und niederspannungsseitige Energiespeicherszenarien angeschlossen werden und kann mit Stromzählern mit mehreren Tarifen zusammenarbeiten, um eine genaue Strommessung unter verschiedenen Tarifstrukturen zu erreichen und umfassende Sicherheits- und Energiemanagementunterstützung für industrielle und kommerzielle Energiespeichersysteme und Batteriewechselstationen zu bieten.
Im Rahmen der kontinuierlichen Modernisierung der neuen Energiebranche wird sich Acrel weiterhin auf Innovation konzentrieren und seine neue energieunterstützende Instrumentierungstechnologie und sein Produktsystem weiter verbessern. Ziel des Unternehmens ist es, effizienter, intelligenter und zuverlässiger zu liefern Strommessung solutions für gewerbliche und industrielle Energiespeicher, Batteriewechselstationen und Photovoltaik-Speicheranwendungen für Haushalte und trägt so zur Förderung einer qualitativ hochwertigen Entwicklung der neuen Energiebranche bei.
Urheberrecht © Acrel Co., Ltd. Alle Rechte vorbehalten.
Fabrik für kundenspezifische Strom- und Energieüberwachungszähler
